Отзывы покупателей о товаре - 0
Комментарии
Комментариев нет
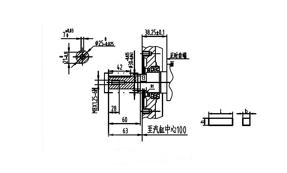
Технические характеристики двигателя LIFAN 15 л.с. 190FD-R
Мощность, л.с. 15
Расположение вала Горизонтальное
Тип двигателя бензиновый 4-х тактный одноцилиндровый
Диаметр цилиндра, мм 90
Ход поршня, мм 64
Рабочий объём, см3 420
Степень сжатия 8.2:1
Максимальная выходная мощность 10,5 кВт при 3600 об.в мин.
Крутящий момент 25 Н.м при 2500 об.в мин.
Система зажигания Бесконтактное электронное
Запуск ручной и электро стартер
Расход топлива, г/кВт*ч 374
Объем масла в двигателе, л 1,1
Катушка освещения Нет
Размеры, мм 465х430х505
Размеры упаковки, мм 485х450х525
Емкость топливного бака, л 6,5
Наличие редуктора Автоматическое сцепление
Диаметр вала, мм 25
Вес(брутто), кг 34
Длина вала, мм 60
Обороты холостого хода, об/мин 1350 (+/-50)
Гарантия производителя, мес 12
Система подачи топлива карбюратор
Тип вала LS type
Описание двигателя LIFAN 15 л.с. 190FD-R
Бензиновый двигатель LIFAN 15 л.с. 190FD-R сочетает в себе долговечность, экономичность с умеренной стоимостью и простотой в использовании.
Это четырехтактный одноцилиндровый двигатель внутреннего сгорания. Рабочий объем цилиндра составляет 420 кубических сантиметров, номинальная мощность достигает 13,7 лошадиных сил, а максимальная может достигать 15 лошадиных сил. Диаметр цилиндра и тип газораспределительного механизма позволяют обеспечить компактные размеры двигателя, он свободно устанавливается на многие модели малой сельскохозяйственной техники. В качестве топлива эта модель использует широко распространенный автомобильный бензин марки АИ-92, потому проблем с горючим не возникнет. Коленчатый вал имеет горизонтальное расположение, это также способствует небольшим размерам, а кроме того существенно упрощает конструкцию и монтаж силового агрегата на шасси. Крутящий момент достигает 25 Н.м при 2500 оборотов в минуту, при этом сохраняется высокая стабильность работы и небольшой расход бензина. Емкость топливного бака равна 6.5 литра, одной заправки достаточно для длительной непрерывной работы. В качестве смазки используется доступное и известное каждому автомобилисту моторное масло 10W30, 10W40 для одной заправки маслом требуется не более 1,1 литра. Транзисторная система зажигания проста в обслуживании и долговечна, она способствует стабильной работе двигателя при любых условиях.
Двигатель 15 л.с. 190FD-R обладает массой в 34 килограмм, это легковесный и компактный агрегат, он способен обеспечить высокую продуктивность работы при минимальных затратах и потерях. Его простая конструкция не создаст проблем при установке или при обслуживании, использование эффективного воздушного охлаждения позволяет активно использовать мотор даже в жаркую погоду.
Преимущества двигателя Lifan 15 л.с. 190FD-R
-Двигатель 4х тактный, одноцилиндровый, OHV, горизонтальный вал, воздушное охлаждение.
-Зажигание электронное.
-Система запуска ручной и электро стартер.
-Легкий пуск.
-Продуманная конструкция и габариты.
#LIFAN#двигатель Лифан#190FD-R
Для покупки товара в нашем интернет-магазине выберите понравившийся товар и добавьте его в корзину. Далее перейдите в Корзину и нажмите на «Оформить заказ» или «Быстрый заказ».
Когда оформляете быстрый заказ, напишите ФИО, телефон и e-mail. Вам перезвонит менеджер и уточнит условия заказа. По результатам разговора вам придет подтверждение оформления товара на почту или через СМС. Теперь останется только ждать доставки и радоваться новой покупке.
Оформление заказа в стандартном режиме выглядит следующим образом. Заполняете полностью форму по последовательным этапам: адрес, способ доставки, оплаты, данные о себе. Советуем в комментарии к заказу написать информацию, которая поможет курьеру вас найти. Нажмите кнопку «Оформить заказ».
Оплачивайте покупки удобным способом. В интернет-магазине доступно 4 варианта оплаты:
- Наложенный платеж. Действует только при отправке Почтой РФ и при сумме заказа до 2 тысяч рублей.
- Безналичный расчет при оформлении в интернет-магазине: карты Visa и MasterCard, МИР. Чтобы оплатить покупку, система перенаправит вас на сервер системы оплаты. Здесь нужно ввести номер карты, срок действия и имя держателя.
- Электронный счет через систему Яндекс Касса. После оформления заказа оператор перезвонит вам и выставит счет для оплаты картой на номер телефона или электронную почту.
- Бухгалтерский счет, для оплаты по реквизитам.
Экономьте время на получении заказа. В интернет-магазине доступно 3 варианта доставки:
- Доставка транспортными компаниями СДЭК, ПЭК, Деловые Линии, КИТ, Энергия. Для отправки заказа транспортными компаниями нужна 100% предоплата за заказ.
- Самовывоз из магазина.
- Почтовая доставка через почту России. Когда заказ придет в отделение, на ваш адрес придет извещение о посылке. Перед оплатой вы можете оценить состояние коробки: вес, целостность. Вскрывать коробку самостоятельно вы можете только после оплаты заказа.

















